|
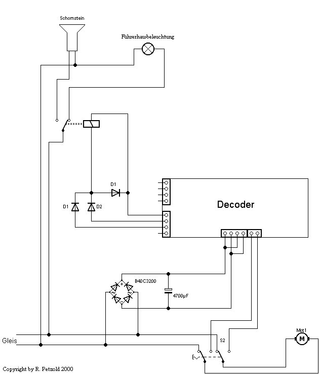
Hier das Einbaubeispiel für eine Dampflok mit analog/digital Umschaltemöglichkeit. Die restlichen Lampen schließe ich immer direkt ans Gleis an. Seit neusten gibt es auch eine Schaltung, mit der die anfälligen mechanischen Bauteile durch elektronische ersetzt werden können. |
||
|
[Home] [Bilder] [Gleisplan] [Eigenbauten] [Schaltungen] [LGBler] [Unterwegs] [Archiv] [Links] [Gästebuch] [Kontakt] |